Local commercial - 620 m² - 2 pièces aux Clayes-sous-Bois
Description :
Iad France - Stanislas Forlani (06 07 62 33 67) vous propose : FONDS DE COMMERCE - Restaurant à volonté, licence V bail 7200€ / mensuel TTC, pas de charges. CA 985K€ annuel ! Potentiel à développer ! salle refaite en 2020 Existe depuis 2011 avec une clientèle fidélisée, ce restaurant de 160 couverts intérieurs, environ 70 couverts en terrasse, avec buffet à volonté, bar cocktail, coin cuisine avec chef pour préparation à la demande sur 2 spots. Cuisines arrières (friteuse, vapeur, évier), chambres froides x2 + congélateur, 1 plonge, 2 pièces de stockage, vestiaires, WC séparés H / F avec lave-mains, création de salle de douche possible. RDC salle et cuisines sur 515 m² environ et 1er étage sur 105 m² environ, salle de repose employés. Secteur dynamique, zone industrielle très fréquentée. Contactez moi pour plus d'informations. Information d'affichage énergétique sur le bien associé à cette annonce : DPE NS indice 0 et GES NS indice 0. La présente annonce immobilière a été rédigée sous la responsabilité éditoriale de M. Stanislas Forlani (ID 87176), Agent Commercial mandataire en immobilier immatriculé au Registre Spécial des Agents Commerciaux (RSAC) du Tribunal de Commerce de Versailles sous le numéro 941160558 Retrouvez tous nos biens sur notre site internet. www.iadfrance.fr.
Informations sur ce bien :
L'intérieur :
-
2 pièces
-
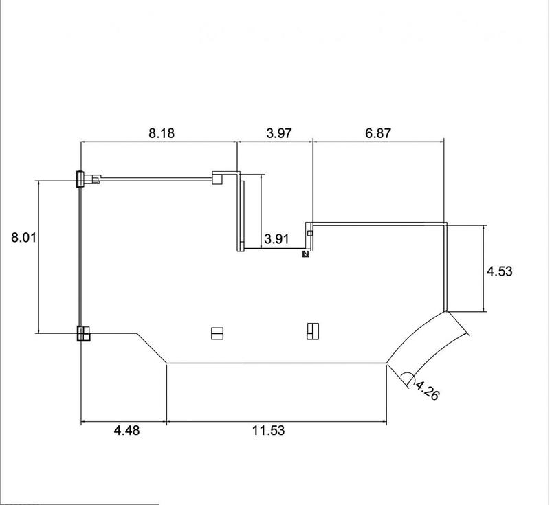
620 m²Informations complémentairesSurface habitable : 620 m²
Autres :
-
Mitoyenneté :Non
Localisation :
Ventes de locaux commerciaux à proximité
- 4 ventes de locaux commerciaux à Plaisir (2.1 km)
- 1 vente de local commercial à Villepreux (2.2 km)
- 2 ventes de locaux commerciaux à Élancourt (4.7 km)
- 3 ventes de locaux commerciaux à Saint-Nom-la-Bretèche (4.8 km)
- 1 vente de local commercial à Feucherolles (5.5 km)
- 1 vente de local commercial à Trappes (5.5 km)
- 1 vente de local commercial à Saint-Cyr-l'École (6.8 km)
- 1 vente de local commercial à Noisy-le-Roi (6.8 km)
- 6 ventes de locaux commerciaux à Montigny-le-Bretonneux (7 km)